Dominion Parts
| Still deciding? Get samples of $ ! US$ 1/Meter Order Sample |
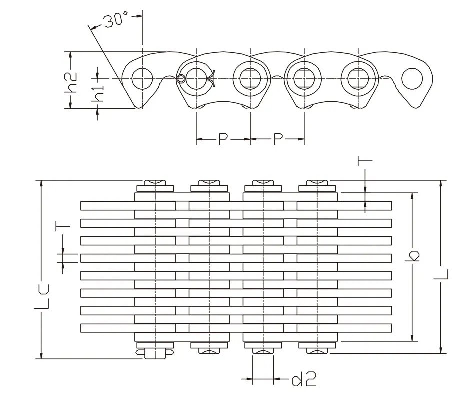
Silent chain (Toothed chain) is one of the first choices for transmission products in many industries due to its excellent performance under heavy loads, low noise, high speed, and durability. Applications include automotive engines, transfer cases, automotive production lines, glass machinery, machine tools, steel rolling transmissions, industrial pumps, steam turbines, petroleum machinery, and textile machinery.





| Packing Details | Advanced packaging / convenience package / bulk package / Waterproof bag / PE Bag / Premium cardboard box / Regular cardboard Carton / Neutral Box / Wooden case / Steel Pallets or Customization |
|---|
70 Years of History: Founded in 1953, the group has a long history of excellence. We are a global leader capable of manufacturing carbon steel chains, stainless steel chains, chain machines, and engineering plastic chains, as well as high-precision sprockets.
Global Scale: With 9 production and R&D hubs located across major industrial provinces, the annual production capacity exceeds 80,000 tons. We rank among the top 10 in the global chain transmission industry, offering more than 20,000 types of products.




